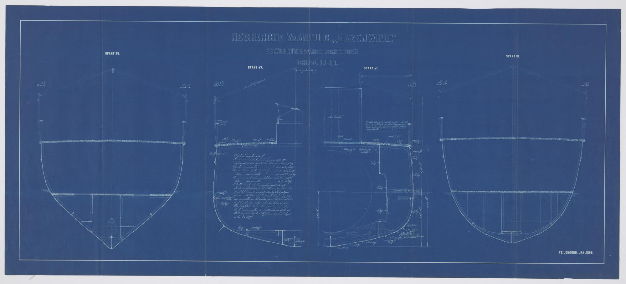
Dwarsdoorsneden over de spanten 18, 41 (halve doorsnede), 47 (halve doorsnede) en 65 van het stoomschip voor de gouvernementsmarine Hr.Ms. Hazewind
Fijenoord
1899-01
Dwarsdoorsneden over de spanten 18, 41 (halve doorsnede), 47 (halve doorsnede) en 65 van het stoomschip voor de gouvernementsmarine Hr.Ms. Hazewind (recherchevaartuig voor Nederlands-Indië - gewest Atjeh). Bovendek, tussendek, ketel, lantaarn (schaal 1:20).
S.2175(2930)
technische tekening
Het Scheepvaartmuseum
Uitgebreide informatie