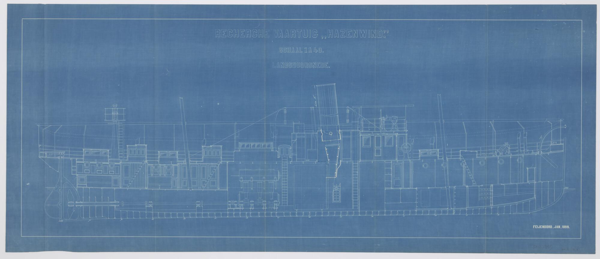
Langsscheepsedoorsnede van het stoomschip voor de gouvernementsmarine Hr.Ms. 'Hazewind' (recherchevaartuig voor Nederlands-Indië - gewest Atjeh)
Fijenoord
1899-01
Langsscheepsedoorsnede van het stoomschip voor de gouvernementsmarine Hr.Ms. "Hazewind" (recherchevaartuig voor Nederlands-Indië - gewest Atjeh). Twee masten, schoorsteen, open brug, sloepen, peilkompas, luchtkokers, dekhuis, accommodatie, machinekamer, ketel (schaal 1:100).
S.2175(2928)
technische tekening
Het Scheepvaartmuseum
Uitgebreide informatie