Gedeeltelijke langsdoorsnede met -indeling bovendek en dwarsdoorsnede Zr.Ms. 'Mercuur'
Rijkswerf Amsterdam
1886
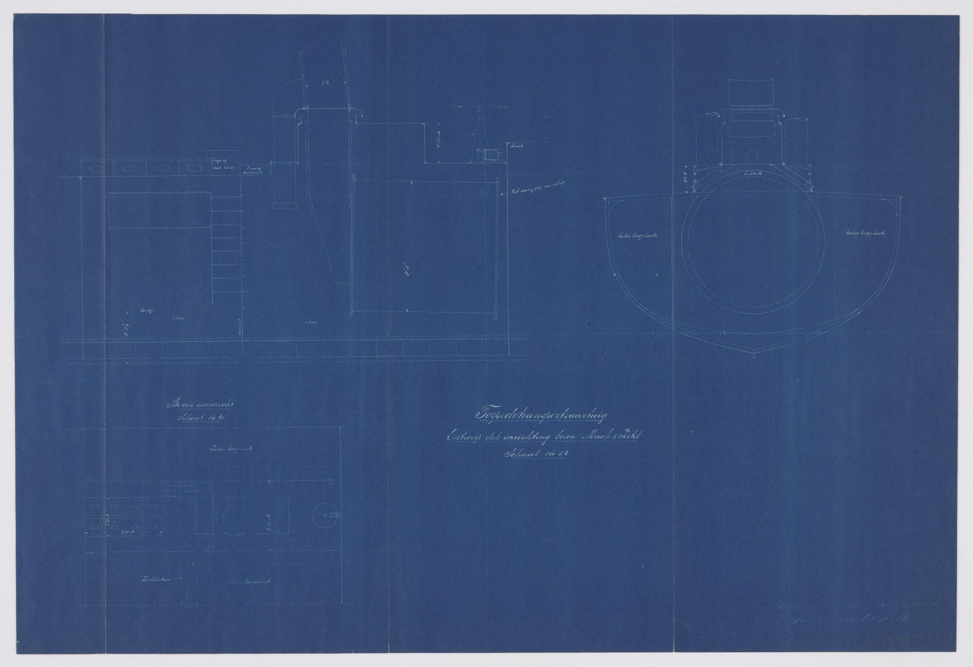
Gedeeltelijke langsdoorsnede tot op de kiel met -indeling bovendek en dwarsdoorsnede van het torpedo-transport- en oefeningsvaartuig Zr.Ms. 'Mercuur'. Stuurinrichting met horizontaal geplaatst stuurwiel in de midscheeps; schoorsteen; ventilatie; machinekamer; ketelruim; kolenbergplaatsen (schaal 1:24).
S.2175(4881)
technische tekening
Het Scheepvaartmuseum
Uitgebreide informatie