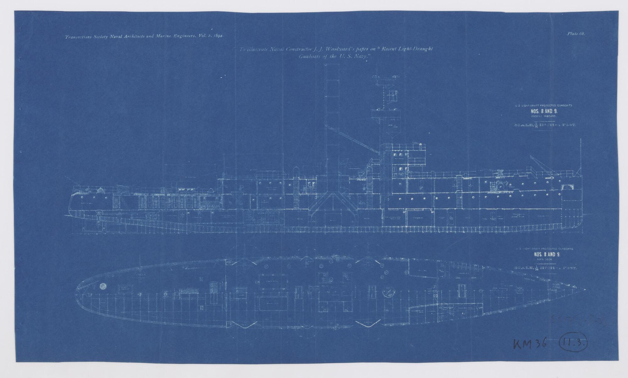
Langsdoorsnede en bovenaanzicht van een patrol gunboat uit de 'Wilmington klasse' van de USN
Newport News
1894
Langsdoorsnede en bovenaanzicht van een patrol gunboat uit de 'Wilmington klasse' van de USN. Ankerkraan; kaapstander; open brug met mast en geschutmarsen; opvallend hoge schoorsteen; dekkraan; geschutpoorten; verlengd bakdek; bovendek; tussendek en ruim (schaal 1:1/10 inch = 1 foot).
S.2175(4843)
technische tekening
Het Scheepvaartmuseum
Uitgebreide informatie