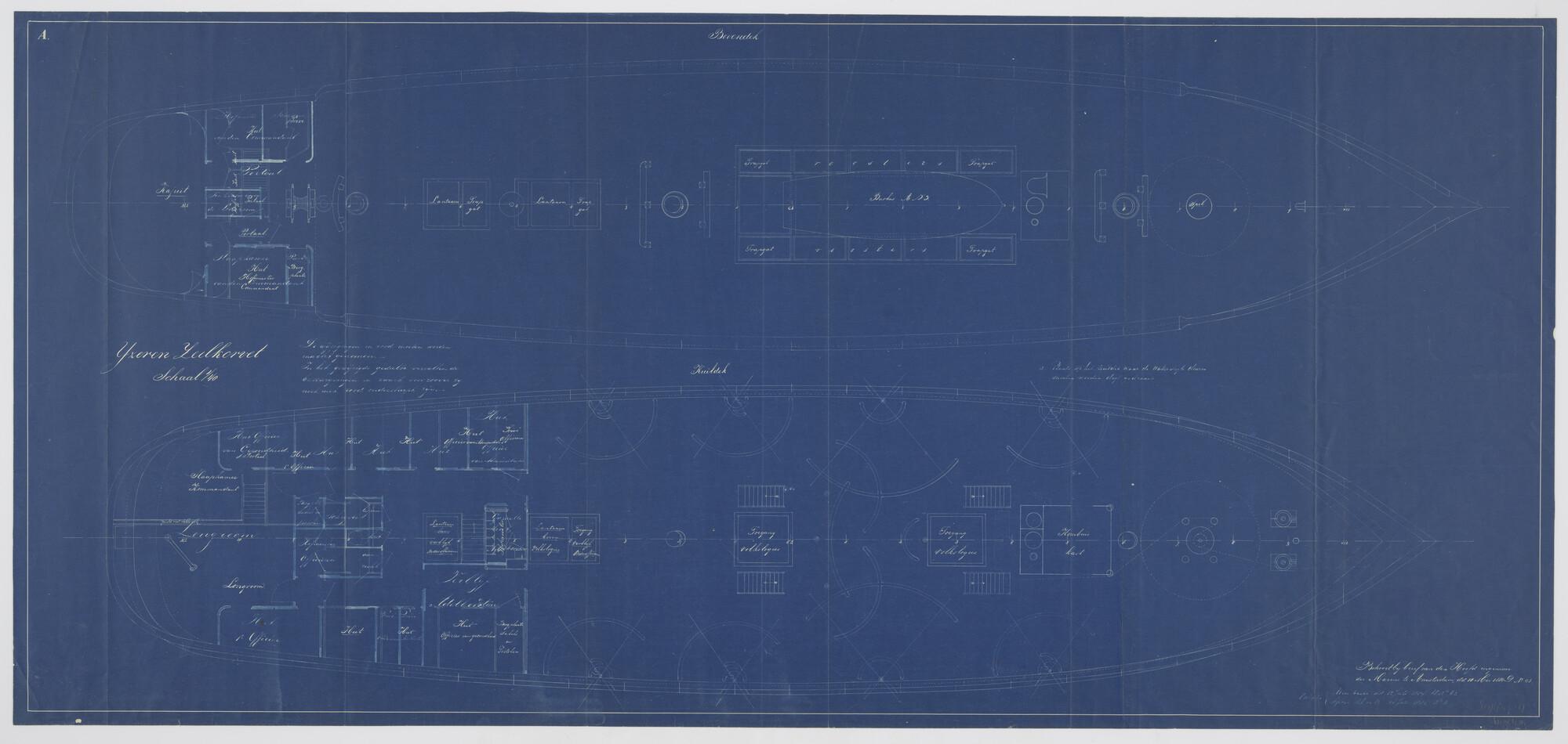
Bovenaanzicht bovendek en kuildek van het instructieschip, het zeilkorvet Zr.Ms. 'Nautilus'
Rijkswerf Amsterdam
1884
Bovenaanzicht van het bovendek en kuildek aan boord van het instructieschip, het ijzeren zeilkorvet Zr.Ms. 'Nautilus'. Ankerspil ; barkas A3 ; trapgaten ; ventilatiekokers ; lantaarns ; stuurinrichting ; kajuit ; kombuiskast ; bewapening ; officiershutten ; longroom (schaal 1:40).
S.2175(4326)
technische tekening
Het Scheepvaartmuseum
Uitgebreide informatie