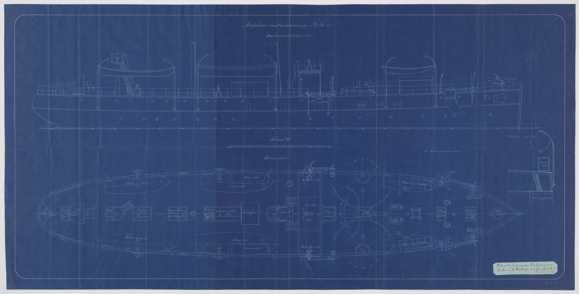
Buitenboordsaanzicht en indeling bovendek van het artillerie instructieschip Hr.Ms. 'Bellona'
Nederlandse Stoomboot Maatschappij
Rijkswerf Amsterdam
1891
Buitenboordsaanzicht over SB-zijde en indelingstekening van het bovendek aan boord van het artillerie instructieschip Hr.Ms. 'Bellona'. Bewapening ; ankerinirchting ; open navigatiebrug ; sloepen ; schoorsteen ; bordes peilkompas ; lantaarns ; kooienkist ; kombuiskast ; ventilatie (schaal 1:50).
S.2175(4307)
technische tekening
Het Scheepvaartmuseum
Uitgebreide informatie