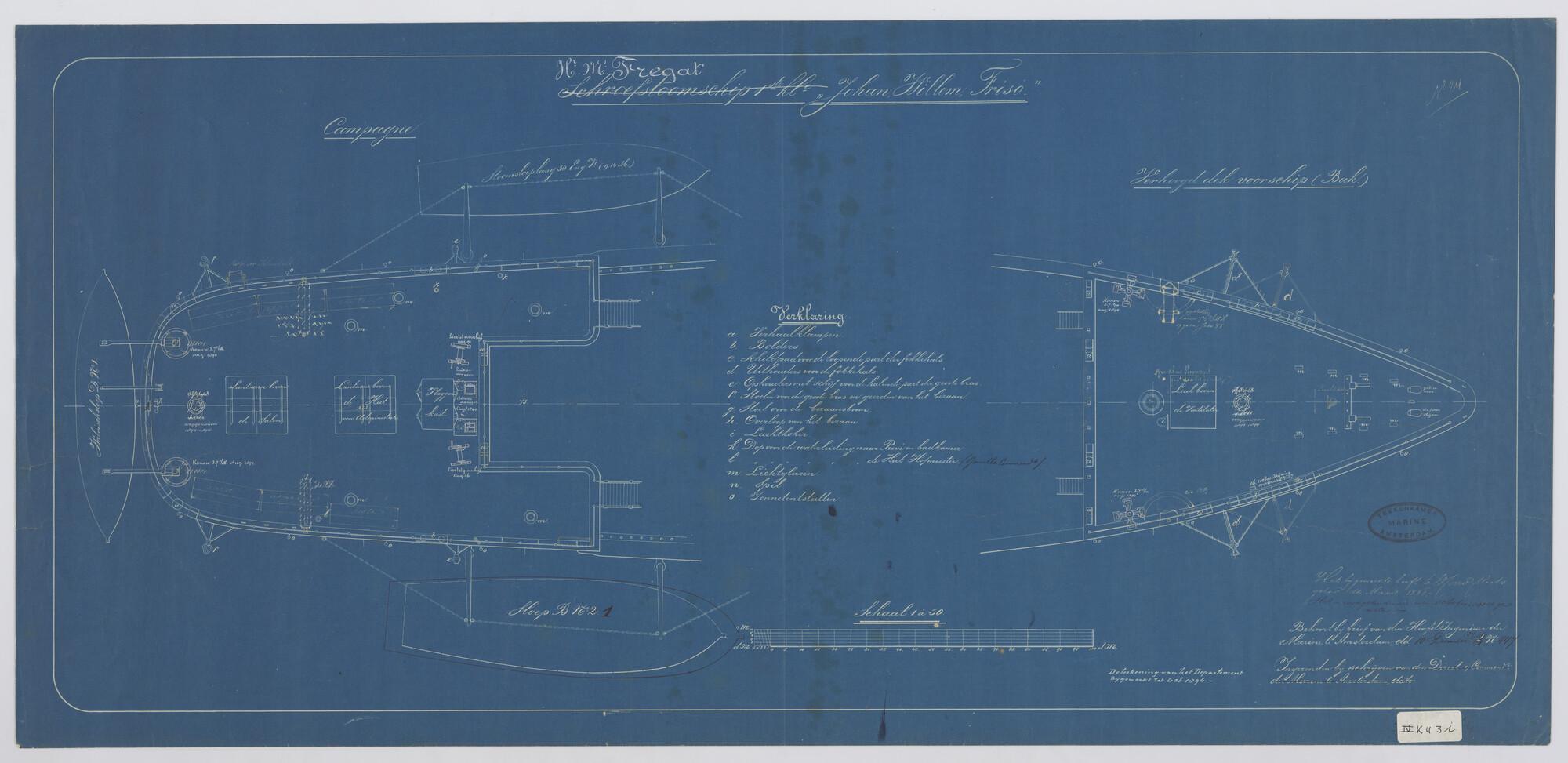
Het schroefstoomschip 1ste klasse Zr.Ms. Johan Willem Friso, 1883
anoniem
1883
Het schroefstoomschip 1ste klasse Zr.Ms. "Johan Willem Friso", 1883. Bovenaanzicht bak en kampagne.
S.1005(02)228
technische tekening
Het Scheepvaartmuseum
Uitgebreide informatie