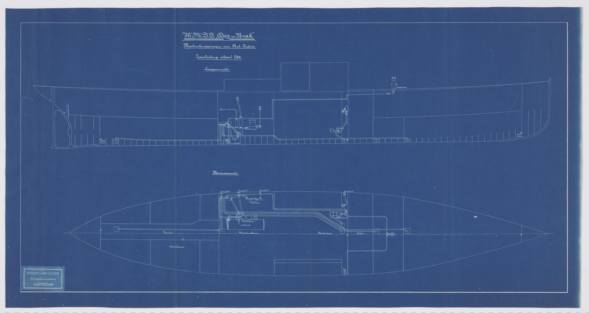
Langsscheepse doorsnede en horizontale doorsnede van de Hr.Ms. Dog en Hr.Ms. Brak
Huygens & van Gelder (toegeschreven aan)
1897
Langsscheepse doorsnede en horizontale doorsnede van het ruim van de stoomschepen voor de gouvernementsmarine Hr.Ms. Dog en Hr.Ms. Brak (recherchevaartuigen voor Nederlands-Indië - gewest Atjeh). Met lensleiding, lenspompen en afsluiters (schaal 1:50).
S.2175(2915)
technische tekening
Het Scheepvaartmuseum
Uitgebreide informatie