Scheepslensleiding in het ruim van het pantserdekschip Hr.Ms. 'Zeeland'
anoniem
1898 - 1898-01
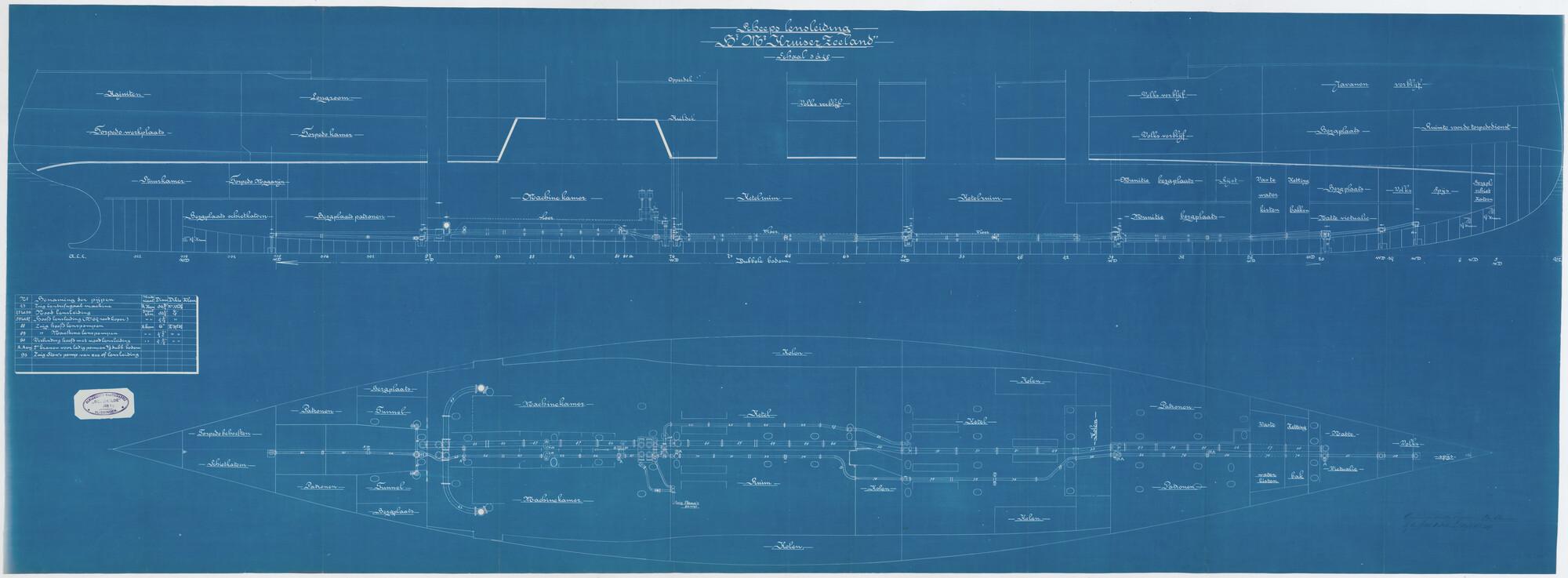
Scheepslensleiding in het ruim van het pantserdekschip Hr.Ms. "Zeeland" (schaal 1:48).
S.2175(0018)
technische tekening
Het Scheepvaartmuseum
Uitgebreide informatie