Zoet- en zoutwaterleiding van het pantserdekschip Hr.Ms. 'Zeeland'
anoniem
1898-01
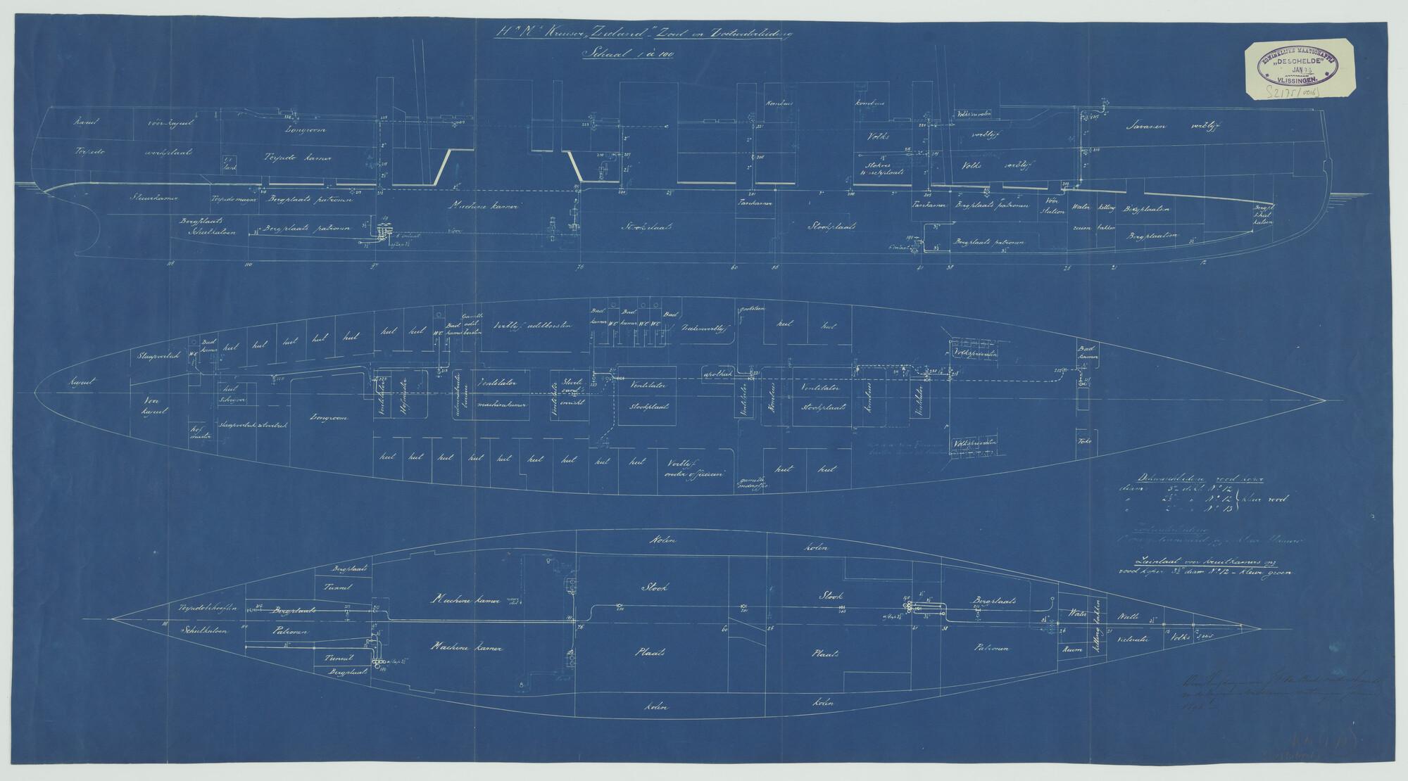
Zoet- en zoutwaterleiding van het pantserdekschip Hr.Ms. "Zeeland" (schaal 1:100).
S.2175(0016)
technische tekening
Het Scheepvaartmuseum
Uitgebreide informatie